tel:
+86-13606193016email:
info@suhangmachine.comJun 20, 2025
Truss and batten---a perfect couple for lightweight structure
The truss and batten system is indeed a perfect pairing for lightweight, efficient, and versatile structures. Here’s why they work so well together:
Function: Trusses provide rigidity and load distribution using triangular configurations, optimizing strength-to-weight ratios.
Materials: Often made from steel, aluminum, or timber, allowing for high strength with minimal material.
Applications: Used in roofs, bridges, stages, and towers where long spans are needed without excessive weight.
Function: Battens (thin strips or bars) stiffen and distribute loads across the truss, preventing buckling and adding shear resistance.
Materials: Typically wood, metal, or composite—light yet strong enough to enhance structural integrity.
Applications: Used in roofing, cladding, and modular systems to support coverings (like fabric, panels, or tiles).
✔ Weight Efficiency: Trusses handle major loads, while battens add stability without significant added mass.
✔ Modular & Scalable: Easy to prefabricate and assemble, ideal for temporary stages, exhibition booths, or disaster relief shelters.
✔ Versatility: Works in roofing systems (like curved or flat designs), aerospace, and even lightweight bridges.
✔ Cost-Effective: Minimizes material use while maximizing performance.
Temporary Event Structures (stages, tents, pavilions)
Lightweight Roofing & Sheathing (metal roofs with battens over trusses)
Aircraft & Spacecraft (where weight savings are critical)
Modular Construction (prefabricated housing, shelters)


5. How to make roof truss and batten
Roof truss machine--- we can customized the sizes as the client's request, the whole line starts from manual decoiler to hold the coil materials, roll forming machine, hydraulic cutting to cut truss length and receiving tables.



.webp?x-oss-process=image/resize,w_100/quality,q_100)
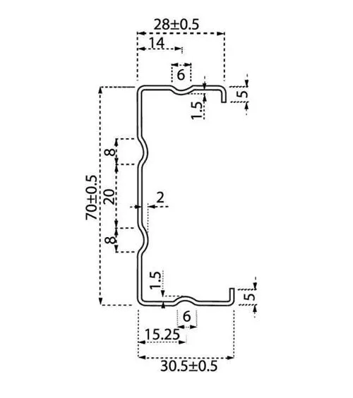
Ceiling batten machine--- we can customized the sizes as the client's request, the whole line starts from manual decoiler to hold the coil materials, roll forming machine, hydraulic cutting to cut truss length and receiving tables, the working flow is same as roof truss machine, the different is the rollers.


The truss-and-batten duo is a structural power couple because:
The truss does the heavy lifting (long-span support).
The batten fine-tunes stability (local reinforcement).
Together, they create lightweight, strong, and adaptable structures—perfect for modern construction needs.